Проставки для динамиков лада гранта
В передние двери Лада Гранта можно установить динамики 13 см или 16 см. 13 см колонки устанавливаются в двери сразу, без применения проставок. А вот для установки некоторых 16 см колонок потребуется изготовление специальных проставок, а при установке отдельных моделей придётся пилят металл двери.
Установка 16 см колонок с применением проставок
Проставка — в данном случае изделие из дерева, которое по форме повторяет форму колонки. Изготавливается в виде кольца, материал исполнения обычно ДВП, МДФ-плита или фанера. Но даже в этом случае может потребоваться резать металл двери, что на мой взгляд немного кощунственно по отношению к автомобилю.

Проставка из двух колец, материал МДФ
- Внутренний диаметр кольца замеряют таким образом, чтобы колонка свободно крепилась к нему, и для лучшего звучания стараются, чтобы колонка как можно плотнее прилегала к кольцу.
- Внешний диаметр должен быть таким, чтобы колонка крепилась плотно к кольцу, и по возможности умещалась за обивкой таким образом, чтобы не пришлось резать металл двери.
На видео ниже показана установка акустической системы 16 см в передние двери Лада Приора. Принцип такой же.
Видео
Алгоритм действий
- Для начала необходимо снять обшивку двери (подробно в этой статье).
- Осуществляем замер и прикидываем определённые размеры. Самый удобный способ это предварительно изготовить макет из картона.
- По макету прикидываем на месте, смотрим, влазит ли колонка в нишу двери. Пробуем понять, сможет ли с данной колонкой открыться бардачок, так как колонка может ему мешать.
- Выпиливаем проставки, если это необходимо, ниже будут рассмотрены варианты колонок, для которых не надо изготавливать проставки.
- Выпиливаем на обшивке двери декоративную заглушку под колонку.

Для удобства можно сначала по периметру распила насверлить дырочки

Пилим обшивку канцелярским ножом.

Устанавливаем и крепим проставку

Крепим колонку к проставке


Модели 16 см колонок, которые ставятся напрямую
После долгих поисков нашёл колонки, которые встают в штатные места без изготовления проставок и резки металла.
PIONEER TS-G1733I
У меня в передних дверях установлены «Колонки автомобильные PIONEER TS-G1733I, коаксиальные, 250Вт«. При их установке не пришлось изготавливать проставок и пилить кузов двери. Бардачок открывается без проблем.
Особенности установки динамиков в передние двери машины Лада Гранта
Установка динамиков в передние двери Лада Гранта зависит от диаметра колонок. Если стандарт в 13 сантиметров монтируется просто, то для конструкции 16 размера придется вырезать более широкое отверстие в дверной карте. Для проведения этой процедуры потребуется полная разборка внутренней части дверцы и применение электролобзика.

Акустика в передние двери
Чтобы разобраться, как установить динамик на Ладе Гранта в передние двери, стоит изучить краткий алгоритм действий. Сначала подвергается демонтажу карта двери, снимается облицовка и звукоизоляционный материал. Потом отключаются электрические провода, подготавливается ниша для динамика. Только после того, как крепежные элементы надежно зафиксируют колонку, возможна обратная сборка. Попутно вставка акустики позволяет:
- улучшить шумоизоляцию;
- заменить облицовочную ткань;
- смазать детали силиконом;
- очистить внутреннюю поверхность от загрязнений;
- наладить электропроводку, закрывающий механизм.
Читать еще: Освещение салона лада веста

Дверца со временем во время езды начинает скрипеть или дребезжать. Разборка заднего или переднего дверного элемента позволяет найти причину, подтянуть болты, заменить поломанные клипсы.
Подготовительные работы
Сначала определяется, какой диаметр динамиков на Lada Granta лифтбек или другую разновидность хэтчбека будет установлен. Потом проводится подготовка комплекта инвентаря и крепежных элементов. Монтаж потребует наличия следующего инструмента:
- отвертки;
- электролобзик;
- острый нож;
- ветошь;
- пилки по металлу;
- деревянная проставка;
- мел для отметки диаметра подставки.

13 размер динамиков – это норма. Внутренняя конструкция дверцы позволяет установить такую колонку без дополнительных манипуляций. При этом монтаж и резка металлического основания не потребуется.
Монтаж динамиков
Многие седаны приобретаются в классической комплектации, без магнитолы и акустической системы. Чтобы устанавливать эти фрагменты, важно соблюдать пошаговую инструкцию:
- Снимается обшивка. Для этого откручивается ручка, которая держится на двух болтах, отсоединяются защелки и вытаскиыается панель, обтянутая тканью. Удаляется шумоизоляция.
- Отключается электропроводка, вынимается старый динамик (при наличии).
- В облицовочной обшивке создается отверстие под музыкальное оборудование. Для акустики 13 размера уже создана железная ниша. Именно туда вставляется задняя часть динамиков. Иногда требуется небольшая подпилка электролобзиком.
- Оборудование скрепляется саморезами. Проводится подключение проводков.
- Облицовочная карта возвращается на место, закрепляется клипсами. Они часто ломаются во время снятия, поэтому стоит приобрести дополнительный комплект фиксаторов. В конце прикручивается рукоять.
В передней дверце больше проводов, чем в задней. Помимо электроподъемников и замыкающего механизма там соединяется электропроводка бокового зеркала авто.
Как обработать цилиндрическое отверстие
Динамики на 16 см потребуют увеличения отверстия в металлической конструкции. Такой диаметр предпочтительнее, потому что он создает более звучную акустику. Для вырезки понадобится лобзик по металлу и стальные пилки. Мелом очерчивается место среза, которое заранее вымеряется. Когда ниша готова, ее следует зачистить наждачкой, а также убедиться в том, что динамик плотно входит в отверстие. Если он будет болтаться, то это создаст посторонний шум в салоне.
Из дерева дополнительно подготавливается деревянный подиум, который крепится с внутренней стороны динамиков.
Как поставить колонки 16 см с проставками
Поставить 16-сантиметровые динамики можно без увеличения отверстия, но тогда за счет проставки колонка будет выпирать из дверцы. Целесообразнее провести стандартную вырезку. Инструкция:
- После того как снята ручка и облицовочная панель, отключаются провода. Снимается звукоизоляция. Электролобзиком увеличивается стандартное отверстие в дверце.
- Сзади крепится предварительно созданный подиум, надежно фиксируется саморезами.
- Проводится вывод кабеля, подключение электроники и сбор конструкции в обратном порядке.

Перед тем как обратно собирать дверь, важно проверить звучание динамиков. Некорректная работа может быть связана с неправильным подключением проводков. Если слышны хрипы или стук, значит колонка плохо зафиксирована.
Какие колонки лучше поставить в передние двери вместо штатных динамиков
Стандартные динамики Лады не отличаются хорошим звучанием. Их цена на рынке не превышает 1000 руб. Именно поэтому большинство автолюбителей проводят демонтаж. Большинство делают выбор в пользу динамиков фирмы Пионер. Они выпускаются диаметром в 13, 16 см, а стоимость варьируется от 2000 до 5000 руб. Колонки продаются в полном комплекте, поэтому автомобилист получит не только мощные динамики, то также крепежные детали.
Читать еще: Когда выходит лада веста кросс
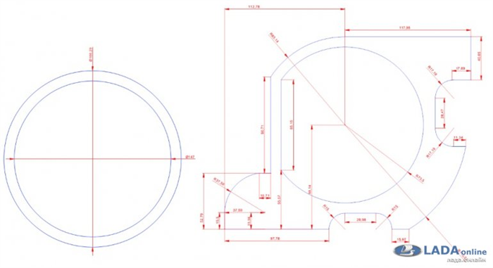
Как сделать проставки под динамики Лада Приора
Размер штатных динамиков Лада Приора – 13 см. Перед установкой колонок в передние двери проследите, чтобы они без проблем разместились на своих местах. В противном случае придется сделать проставки (кольца) для динамиков.
Чертеж проставок под динамики 13 см.

Чертеж проставок под динамики 16 см.

Вы можете скачать подробную схему проставок в формате dwg. Чтобы скачать файлы нужно авторизироваться на сайте
Как изготовить проставочные кольца для динамиков
Потребуется: фанера, дрель, лобзик, герметик, лак.
Толщина, ширина и другие размеры проставок под колонки рассчитываются в каждом случае индивидуально, поэтому универсальных размеров проставок нет. Схемы представленные выше могут выступать в качестве шаблона, который будет дорабатываться по месту.
Общая толщина проставки определяется индивидуально. Примерно, для посадочной глубины динамиков 52 см. должны подойти проставочные кольца толщиной 16 мм.
Порядок действий:
- Определить наружный и внутренний диаметр колец (используя образец или динамик).
- Вырезать проставочные кольза лобзиком, предварительно просверлив отверстия для установки пилки лобзика.
- Скрепить все части проставки (если они составные), используя клей или саморезы.
- Примерить проставки на двери и доработать их при необходимости. Проследите, чтобы проставки плотно прилегали к поверхности, правильному расположению динамика ничего не мешает, обшивка двери устанавливается без проблем (доработать по месту).
- Покрыть кольца лаком в несколько слоев.


При установке проставок проследите, чтобы она и динамик были максимально плотно закреплены (под кольцо наклейте полоски виброизолятора), это исключит появление вибраций и дребезга. Закройте все щели, используя герметик. Рекомендуется совместить установку проставок вместе с шумоизоляцией дверей.
Напомним, новые динамики – это не единственный популярный аксессуар для Лада Приора.
Пошаговая установка динамиков в Гранту
Самостоятельная установка динамиков в Гранту требуется, когда у вас автомобиль в комплектации без акустики (стандарт /норма с аудиоподготовкой), либо требуется замена заводских колонок. Рассмотрим пошаговый процесс.
Акустика в передние двери Лада Гранта
Установка динамиков в двери Granta позволяет не зависеть от типа кузова – колонки в дверях не требуют акустической полки. Значит, поставить динамики в седан и хетчбек можно по одному принципу.
Подготовительные работы
Прежде чем начать саму установку, разберемся с подготовкой автомобиля. Для этого:
- Разбираем дверь: демонтируем ручку (поддеваем и снимаем накладку, выкручиваем 2 винта), наконечник концевика, два винта снизу двери, преодолевая сопротивление фиксаторов-пистонов тянем карту двери на себя и снимаем ее с двери;
- Проводим шумоизоляцию двери: в теплое время года либо в отапливаемом гараже покрываем вибропластом все доступные части двери. Подойдет вибропласт StP М2, при нанесении на дверь обязательно прогревать его строительным феном и прокатывать прижимным роликом;
- При наличии теплозоляционного материала Сплэн – покрываем им внутреннюю часть карты двери. Это позволит дополнительно скрыть шумы от двери в собранном состоянии;
- Готовим проставки, если таковые потребуются для установки 16-см динамиков – подробно о них далее по тексту;
- Заменяем заводские клеммы на акустическом проводе в двери на нормальные (чаще в комплекте с динамиками идут хорошие клеммы) – для этого просто обрезаем ненужные разъемы и крепим к проводке нужные нам клеммы. Достаточно качественной скрутки с термоусадкой;
- Если в картах дверей нет отверстий под динамики, готовим их. Оптимально будет поставить заводские сетки для акустики, которые устанавливаются на люксовые версии Гранты и Datsun OnDo.
Читать еще: Что такое веретенка масло
Установка динамиков в передние двери Granta
Штатная акустика в Гранте – 13 сантиметровые колонки. Они не дают хорошего звука, но легко ставятся в заводские отверстия под колонки без лишних манипуляций. Порядок действий с ними простой:
- подсоединить акустические кабели, соблюдая полярность;
- зафиксировать винтами в штатных местах в металле двери либо непосредственно на карте двери;
- установить сетки (в простонародии – грили).
Важный минус – центр посадочного отверстия и места под гриль не совпадают. Значит, при установке с комплектными грилями, те будут выглядеть несимметрично и коряво.

Штатная акустика чаще всего не дает сочного звука и при установке со своими сетками выглядит убого.
Как поставить 16см колонки с проставками
В погоне за звуком логично поставить 16 см. колонки. Здесь появляются все минусы конструкции АвтоВАЗа – динамики либо не центрируются, либо не дают опускаться стеклу, либо мешают крышке бардачка.
Зачем нужны проставки? Чтобы не резать дверь – если вы не поставите акустику в проставочные кольца, придется крепить ее к металлу двери. Это чревато необходимостью резать саму дверь, чтобы динамик влез, и опасно для стекла.
По этой причине изготовленные из фанеры кольца под динамики крепят на металл двери, и уже к ним саму колонку.
Порядок действий такой:
- делаем либо покупаем проставки под динамики – толщина 10 мм, материал фанера;
- вырезаем отверстие под динамик в карте и отмечаем по нему место установки;
- ставим проставку на 4 самореза;
- в нее устанавливаем колонку – соблюдаем полярность!;
- устанавливаем карту + ставим штатную сетку, чтобы не мешалась бардачку.

Если при установке проставка лопнет, это чревато дребезгом из двери во время езды.
Какие колонки лучше поставить в передние двери вместо штатных динамиков
Рекомендуем модель Pioneer TS-G1733I. При цене порядка 2 тысяч рублей они свободно ставятся через проставки в двери Гранты без резки металла и не мешают стеклам. Простота установки сэкономит нервы и время.
Динамики легко прокачиваются магнитолой без усилителя, дают средний басс. Не компонентная акустика!
Установка динамиков в задние двери Granta
Порядок работы с задними дверями идентичен передним. Важное отличие: здесь не потребуются самодельные проставки. Завод производит комплект специальных креплений для установки 13-см динамиков в задние двери.














