Ремонт коробки передач ваз 21213
Промойте коробку передач и установите ее на стенде. Слейте масло и снимите нижнюю крышку с прокладкой.
Снимите вилку привода выключения сцепления, а с направляющей втулки передней крышки коробки передач – муфту в сборе с подшипником и соединительной пружиной.
Снимите картер сцепления с прокладкой и передней крышкой коробки передач вместе с сальником и пружинной шайбой (рис. 3-15).

Рис. 3-15. Внутренний вид картера сцепления. Черными стрелками указаны гайки крепления картера сцепления к коробке передач; белой стрелкой указано отверстие в передней крышке для выпуска масла из картера коробки передач, чтобы не происходило замасливания дисков сцепления.
Выверните выключатель фонаря заднего хода, соблюдая осторожность, чтобы не деформировать его корпус.
Выверните болт крепления вилки переключения III и IV передач. Установите на первичный вал фиксатор 41.7816.4068 или одновременно включите две передачи. Это предотвратит проворачивание первичного, вторичного и промежуточного валов и позволит выполнить последующие операции по разборке.
Примечание. С 1997 года на заднем конце вторичного вала коробки передач изменилась конструкция следующих деталей:
- вместо металлического центрирующего кольца 26 (рис. 3-31) и стопорного кольца устанавливается резиновая центрирующая втулка;
- вместо уплотнителя 25 с пружиной 24 устанавливается уплотнитель без пружины;
- стопорная шайба 22 заменена на пружинную шайбу;
- гайка 23 устанавливается на герметик УГ-9 или УГ-10.
Снимите стопорное кольцо с конца вторичного вала коробки передач (рис. 3-16).

Разогнув стопорную шайбу, отверните гайку на несколько оборотов, чтобы сдвинуть центрирующее кольцо эластичной муфты, и снова заверните гайку. Выталкивателем А.40006/1 со съемником А.40005/4 снимите с конца вторичного вала центрирующее кольцо эластичной муфты карданного вала (рис. 3-17).

Снимите с конца вторичного вала уплотнитель центрирующего кольца эластичной муфты с пружиной, отверните гайку и съемником А.40005/3/9В/9С снимите фланец эластичной муфты (рис. 3-18).

Рис. 3-18. Снятие фланца эластичной муфты съемником А.40005/3/9В/9С:
1 – фланец эластичной муфты; 2 – съемник А.40005/3; 3 – планка съемника А.40005/3; 4 – болты крепления приспособления к фланцу.
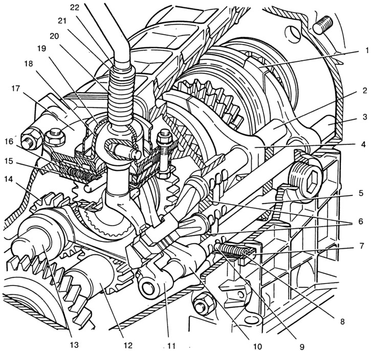
Прежде чем снимать заднюю крышку, установите рычаг переключения передач в нейтральное положение, отверните гайки крепления механизма выбора передач и снимите рычаг переключения передач (рис. 3-19) в сборе с механизмом выбора. Одна из гаек крепления крышки отвертывается изнутри картера коробки передач при снятой нижней крышке. При снятии задней крышки ее необходимо подавать не только назад, но и поворачивать, чтобы исключить ее задевание за блок шестерен заднего хода и V передачи.

После снятия с вторичного вала внутреннего кольца заднего подшипника 43 (рис. 3-12) и распорной втулки 44 подшипника ослабьте болты крепления крышки 5 (рис. 3-20) и отверните болты 2 и 4 крепления блока шестерен и вилки включения V передачи и заднего хода. Снимите маслоотражательную шайбу 45 рис. 3-12), а затем втулку 1 (рис. 3-21) шестерни пятой передачи и выньте шток 1 (рис. 3-22) из вилки 2. При этом со штока снимается дистанционная втулка 3. Затем снимите со шлиц промежуточного вала блок шестерен 4.

Рис. 3-20. Отвертывание болтов крепления блока шестерен и вилки включения V передачи и заднего хода:
1 – промежуточная шестерня заднего хода; 2 – болт крепления блока шестерен; 3 – шток вилки; 4 – болт крепления вилки; 5 – крышка фиксаторов.


Рис. 3-22. Снятие штока вилки включения V передачи и заднего хода:
1 – шток вилки включения V передачи и заднего хода; 2 – вилка включения V передачи и заднего хода; 3 – дистанционная втулка; 4 – блок шестерен.
Снимите одновременно промежуточную шестерню 1 (рис. 3-23) заднего хода с оси, шестерню 3 в сборе с муфтой и вилкой 4 с вторичного вала.

Рис. 3-23. Снятие промежуточной шестерни заднего хода, шестерни V передачи в сборе с синхронизатором и вилкой:
1 – промежуточная шестерня заднего хода; 2 – муфта включения V передачи; 3 – шестерня V передачи и заднего хода; 4 – вилка.
С помощью фигурных оправок (типа отверток) снимите со шпонки ступицу 4 (рис. 3-24) синхронизатора V передачи и ведомую шестерню 2 заднего хода.

Рис. 3-24. Снятие ведомой шестерни заднего хода и ступицы муфты синхронизатора V передачи:
1 – промежуточный вал; 2 – ведомая шестерня заднего хода; 3 – ось промежуточной шестерни заднего хода; 4 – ступица муфты синхронизатора V передачи; 5 – вторичный вал; 6 – шток вилки включения I и II передач; 7 – шток вилки включения III и IV передач.
С помощью фигурных оправок (типа отверток) и стержневых выколоток выньте из картера коробки передач передний и задний подшипники промежуточного вала. На внутренних кольцах двухрядного подшипника нанесите метки, по которым эти кольца устанавливайте на прежние места в наружном кольце подшипника.
Читать еще: Проверка датчика дроссельной заслонки ваз 2112
Выньте из картера коробки передач промежуточный вал, наклоняя его, как показано на рис. 3-25.

Выньте из картера коробки передач поочередно штоки вилок переключения I, II, III и IV передач, предварительно отвернув болты крепления вилок. Вынимая штоки, одновременно удалите три блокировочных сухаря 6 (рис. 3-26). Снимите стопорную пластину (рис. 3-27) промежуточного подшипника вторичного вала. Отверните гайку крепления оси промежуточной шестерни заднего хода и снимите ее.

Рис. 3-26. Привод переключения передач:
1 – вилка включения III и IV передач; 2 – шток вилки включения I и II передач; 3 – шток вилки включения III и IV передач; 4 – вилка включения I и II передач; 5 – шток вилки включения V передачи и заднего хода; 6 – блокировочные сухари; 7 – крышка фиксаторов; 8 – пружина фиксаторов; 9 – шарик фиксаторов; 10 – вилка включения V передачи и заднего хода; 11 – головка штока вилки включения V передачи и заднего хода; 12 – блок шестерен V передачи и заднего хода; 13 – ось промежуточной шестерни заднего хода; 14 – промежуточная шестерня заднего хода; 15 – шайба направляющей пластины; 16 – направляющая пластина; 17 – корпус рычага переключения передач; 18 – шаровая опора; 19 – сферическая шайба; 20 – пружина; 21 – упорная шайба; 22 – стопорное кольцо.

С помощью оправок (типа отверток) выньте первичный вал вместе с подшипником и кольцом синхронизатора (рис. 3-28) и снимите игольчатый подшипник с переднего конца вторичного вала.

Выбейте, из промежуточного подшипника вторичный вал, выньте промежуточный подшипник и, наклонив, как показано на рис. 3-29, извлеките из картера вторичный вал в сборе с шестернями, муфтами и кольцами синхронизаторов. Снимите с вала муфту синхронизатора III и IV передач.

Разберите первичный вал (рис. 3-30), для чего:
- снимите стопорное кольцо 7, блокирующее кольцо 6 и пружину 5 синхронизатора;
- установите вал на пресс и, сжав оправкой 41.7816.4069 пружинную шайбу 2, снимите стопорное кольцо 1, а затем пружинную шайбу и подшипник 3.

Рис. 3-30. Детали первичного вала:
1 – стопорное кольцо; 2 – пружинная шайба; 3 – подшипник; 4 – первичный вал; 5 – пружина синхронизатора; 6 – блокирующее кольцо синхронизатора; 7 – стопорное кольцо; 8 – подшипник.
Разберите вторичный вал (рис. 3-31):
- снимите с задней стороны вала шестерню 11 первой передачи с втулкой 12, ступицу 3 со скользящей муфтой 4 переключения I и II передач, шестерню 10 второй передачи вместе с блокирующим кольцом 5 синхронизатора;
- установите вторичный вал с оправкой 41.7816.4069 на пресс (рис. 3-32), подложите под шестерню III передачи опорные полукольца 3 и, нажимая оправкой на пружинную шайбу, снимите стопорное кольцо 2, затем пружинную шайбу 4, ступицу скользящей муфты переключения III и IV передач и шестерню III передачи.

Рис. 3-31. Детали вторичного вала:
1 – стопорное кольцо; 2 – пружинная шайба; 3 – ступица синхронизатора; 4 – муфта синхронизатора; 5 – блокирующее кольцо; 6 – пружина синхронизатора; 7 – шайба; 8 – шестерня III передачи; 9 – вторичный вал; 10 – шестерня II передачи; 11 – шестерня I передачи; 12 – втулка шестерни; 13 – подшипник; 14 – шпонка; 15 – шестерня заднего хода; 16 – шестерня V передачи; 17 – маслоотражательная шайба; 18 – распорная втулка; 19 – задний подшипник вторичного вала; 20 – сальник; 21 – фланец эластичной муфты; 22 – стопорная шайба; 23 – гайка; 24 – пружина уплотнителя; 25 – уплотнитель; 26 – центрирующее кольцо.

Рис. 3-32. Установка на вторичном валу стопорного кольца:
1 – оправка 41.7816.4069; 2 – стопорное кольцо; 3 – опорное полукольцо; 4 – пружинная шайба; 5 – шток пресса.
При необходимости разберите рычаг и механизм выбора передач, для чего:
- снимите защитный чехол 10 (рис. 3-33), стопорное и упорное кольца 6 и 7, пружину 5 и сферическую шайбу 4 с рычага переключения передач;
- отметьте визуально расположение деталей относительно риски А (рис. 3-34), нанесенной на направляющей пластине, чтобы при сборке соединить детали в том же положении;
- отвернув гайки с болтов крепления, разъедините детали механизма выбора передач и снимите рычаг 9, его шаровую опору 4 и резиновые уплотнительные кольца 15.

Рис. 3-33. Детали рычага и механизма выбора передач:
1 – рычаг переключения передач; 2 – прокладка; 3 – шаровая опора; 4 – сферическая шайба; 5 – пружина; 6 – кольцо; 7 – стопорное кольцо; 8 – фланец; 9 – манжета; 10 – защитный чехол; 11 – рукоятка; 12 – стержень рычага; 13 – упорная подушка; 14 – упругая втулка; 15 – дистанционная втулка; 16 – запорная втулка; 17 – корпус рычага переключения передач; 18 – уплотнительное кольцо; 19- шайба направляющей пластины; 20 – направляющая планка; 21 – пружина; 22 – направляющая пластина; 23 – блокировочная пластина заднего хода.
Читать еще: Какие сиденья поставить на ваз 2107

Рис. 3-34. Механизм выбора передач:
1 – шайба направляющей пластины; 2 – направляющая пластина; 3 – корпус рычага переключения передач; 4 – шаровая опора; 5 – сферическая шайба; 6 – пружина; 7, 8 – стопорные кольца; 9 – рычаг переключения передач; 10 – защитный чехол; 11 – фланец; 12 – блокировочная пластина заднего хода; 13 – пружина; 14 – направляющая планка; 15 – уплотнительное кольцо; А – риска.
Сборка
Сборку коробки передач проводите в последовательности, обратной разборке. При этом учтите, что:
- ось промежуточной шестерни заднего хода крепится до установки валов в картер коробки передач моментом 78 Н·м (7,8 кгс·м);
- перед установкой штока вилки включения V передачи и заднего хода в картер, установите на него дистанционную втулку;
- внутреннее кольцо подшипника напрессовывается на блок шестерен V передачи и заднего хода, а наружное – в гнездо задней крышки;
- задний подшипник вторичного вала напрессовывается на вал для облегчения установки задней крышки;
- промежуточную шестерню 1 (рис. 3-23) заднего хода, шестерню 3 и вилку 4 устанавливайте одновременно;
- при сборке рычага переключения передач покройте смазкой ЛСЦ-15 или Литол-24 шаровую головку или сферу шаровой опоры;
- болт крепления блока шестерен затягивайте моментом 78 Н·м (7,8 кгс·м);
- при установке картера сцепления с передней крышкой коробки передач, отверстие в передней крышке должно быть расположено так, как показано на рис. 3-15;
- перед установкой рабочую поверхность сальников покройте смазкой Литол-24;
- при установке сальников и подшипников пользуйтесь оправками 41.7853.4028, 41.7853.4032, 41.7853.4039.
Ремонт коробки передач ваз 21213
12 – блок шестерен V передачи и заднего хода;
13 – ось промежуточной шестерни заднего хода;
14 – промежуточная шестерня заднего хода;
15 – шайба направляющей пластины;
16 – направляющая пластина;
17 – корпус рычага переключения передач;
18 – шаровая опора;
19 – сферическая шайба;
20 – пружина;
21 – упорная шайба;
22 – стопорное кольцо
Детали первичного вала
Детали вторичного вала
Детали рычага и механизма выбора передач
Механизм выбора передач
10 – защитный чехол;
11 – фланец;
12 – блокировочная пластина заднего хода;
13 – пружина;
14 – направляющая планка;
15 – уплотнительное кольцо;
А – риска
1. Промойте коробку передач и установите ее на стенде. Слейте масло и снимите нижнюю крышку с прокладкой.
2. Снимите вилку привода выключения сцепления, а с направляющей втулки передней крышки коробки передач – муфту в сборе с подшипником и соединительной пружиной.
23. Разберите первичный вал (см. рис. Детали первичного вала):
– снимите стопорное кольцо 7, блокирующее кольцо 6 и пружину 5 синхронизатора;
– установите вал на пресс и, сжав оправкой 41.7816.4069 пружинную шайбу 2, снимите стопорное кольцо 1, а затем пружинную шайбу и подшипник 3.
24. Разберите вторичный вал (см. рис. Детали вторичного вала).Снимите с задней стороны вала шестерню 11 первой передачи с втулкой 12, ступицу 3 со скользящей муфтой 4 переключения I и II передач, шестерню 10 второй передачи вместе с блокирующим кольцом 5 синхронизатора.
26. Снимите защитный чехол 10, стопорное и упорное кольца 6 и 7, пружину 5 и сферическую шайбу 4 с рычага переключения передач (см. рис. Детали рычага и механизма выбора передач).
27. Отметьте визуально расположение деталей относительно риски (А), нанесенной на направляющей пластине, чтобы при сборке соединить детали в том же положении (см. рис. Механизм выбора передач).Отвернув гайки с болтов крепления, разъедините детали механизма выбора передач и снимите рычаг 9, его шаровую опору 4 и резиновые уплотнительные кольца 15.
1. Сборку коробки передач проводите в последовательности, обратной разборке.
2. Учтите, что ось промежуточной шестерни заднего хода крепится до установки валов в картер коробки передач моментом 78 Н·м (7,8 кгс·м).
3. Перед установкой штока вилки включения пятой передачи и заднего хода в картер, установите на него дистанционную втулку.
4. Внутреннее кольцо подшипника напрессовывается на блок шестерен пятой передачи и заднего хода, а наружное – в гнездо задней крышки.
5. Задний подшипник вторичного вала напрессовывается на вал для облегчения установки задней крышки.
Читать еще: Чистка сапуна ваз 2110
8. При установке картера сцепления с передней крышкой коробки передач отверстие в передней крышке должно быть расположено так, как показано на рис. из п.3.
9. Перед установкой рабочую поверхность сальников покройте смазкой Литол-24.
10. При установке сальников и подшипников пользуйтесь следующими оправками 41.7853.4028, 41.7853.4032, 41.7853.4039.
Основные неисправности и ремонт КПП ВАЗ 21213
Как и любой другой узел, коробка передач Нива может ломаться. И чем больше пробег автомобиля, тем больше вероятность того, что поломка наступит в ближайшее время.
В зависимости от собственных познаний, можно выполнять КПП ВАЗ 21213 ремонт как своими руками, так и в сервисе. Лучше конечно обратиться в СТО – все-таки там есть и специализированное оборудование, к примеру для снятия шестерен с валов, да и опыта у мастеров намного больше.

Основные неисправности КПП «Нива»
Основными признаками неисправностей, которые можно определить даже без диагностики, являются:
- Затрудненное включение передач;
- Посторонние шумы при переключении: хруст, скрежет, треск;
- Подтекания масла из коробки. Это можно заметить, если во время стоянки автомобиля на земле видны потеки масла.
Как правило, большая часть неисправностей в коробке передач происходит из-за предельного срока службы – большинство автомобилей уже давно отходили свой ресурс в 120-200 тысяч км. Следующей по «популярности» причиной неисправности является неправильное или несвоевременное обслуживание автомобиля – некоторые автомобилисты покупают масло подешевле и не подходящее к данному узлу, не делают регулярное ТО и так далее.

При ремонте каких-то элементов коробки вопрос к выбору деталей зачастую также производится соответственно их ценовой политике. Поэтому и устанавливаются шестерни из обычной «сырой» стали, а не специально обработанной, из которой изготовлены заводские агрегаты. В результате такая «новая» шестерня очень быстро выходит из строя и вызывает повышенный износ других узлов, которые расположены рядом с ней или находятся в зацеплении. После этого снова требуется КПП ВАЗ 21213 ремонт, но на этот раз он обойдется еще в большую сумму, чем предыдущий.
Поэтому старайтесь ориентироваться на качественные запчасти при покупке – тут лучше не экономить, иначе заплатите дважды. Также не стоит экономить на масле – заливайте в коробку качественное масло, оно будет дольше защищать узлы от повреждений и более качественно смазывать их.
Как отремонтировать КПП автомобиля Нива ВАЗ-21213
Разборка и ремонт коробки передач требуются при следующих неисправностях.
1. Самопроизвольное выключение или нечеткое включение передач:
– износ лунок под шарики на штоках, поломка пружин фиксаторов;
– износ блокирующего кольца синхронизатора;
– поломка пружины синхронизатора;
– износ зубьев муфты синхронизатора или зубчатого венца синхронизатора.
2. Повышенный шум в коробке передач:
– износ зубьев шестерен и синхронизаторов;
– осевое перемещение валов.
3. Затрудненное переключение передач:
– износ сферического шарнира рычага переключения передач, отсутствие смазки в узле;
– деформация рычага переключения передач;
– заусенцы, погнутости, загрязнение гнезд штоков, заклинивание блокировочных сухарей;
– загрязнение шлицев скользящей муфты и ступицы;
– деформация вилок переключения передач.
4. Пониженный уровень или утечка масла:
– износ сальников первичного и вторичного валов;
– ослабление крепления крышек картера коробки передач, повреждение уплотнительных прокладок;
– ослабление крепления картера сцепления к картеру коробки передач.
Перечисленные неисправности могут быть вызваны иными причинами, устранение которых не требует снятия и разборки коробки передач.
Вам потребуются: отвертки (две), сменные головки «на 13», «на 17», удлинитель, вороток, ключи «на 10», «на 13» (два), «на 17», «на 19», «на 30», ударная отвертка, съемник стопорных колец, молоток, универсальные съемники.
Сливаем масло из коробки передач, снимаем вилку и подшипник выключения сцепления.
Демонтируем фланец эластичной муфты с носка вторичного вала…
…и выключатель фонарей заднего хода
Механизм выбора передач можно демонтировать на автомобиле, не снимая коробки передач. Для наглядности эти операции выполняем на снятой коробке передач.
Снимаем манжету механизма выбора передач.
Устанавливаем рычаг переключения передач в нейтральное положение
Головкой «на 10» отворачиваем три гайки крепления корпуса рычага переключения передач














